時間:2024-05-12 10:05:09 點擊數:
導讀
針對礦井提升機盤形制動器的常見故障,通過對盤形制動器工作原理的分析,總結導致其故障的主要原因,列舉了預防盤形制動器故障的相應對策,并對典型案例進行分析,給出了解決方案,可為今后盤形制動器的日常維護和故障處理提供參考。
礦井提升機主要用于煤礦、金屬礦與非金屬礦提升、下放人員、材料和設備等,它是聯系井上和井下的重要交通運輸工具,是礦山的咽喉設備。
盤形制動器作為礦井提升機安全制動系統的關鍵部件,其工作可靠性直接關系著礦井提升機的安全性能,影響著礦山的安全生產,盤形制動器一旦發生故障,輕則影響生產進度,重則導致惡性事故的發生。常見的盤形制動器故障主要表現為剎不住車或敞不開閘,導致其故障的原因多種多樣。筆者從盤形制動器工作原理的角度分析產生故障的原因,提出相應的預防對策及今后的維護措施,并列舉典型案例進行分析。
1 盤形制動器的工作原理
目前大多數新型礦井提升機的制動系統都使用盤形制動器,與塊式制動器相比,盤形制動器具有結構緊湊、動作靈敏、質量輕和散熱快等特點。
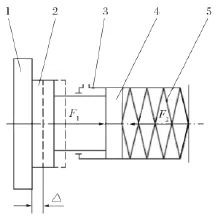
如圖1所示,F1為油壓力,F2為彈簧預壓縮力。顯而易見,盤形制動器是靠油壓力 F1松閘,彈簧預壓縮力 F2制動來實現其功能的。
油壓力







